1 / 23

CLAAS TEMIS 650 X (Type T05) Tractor Service Repair Manual

service repair manual

Download Presentation

CLAAS TEMIS 650 X (Type T05) Tractor Service Repair Manual

An Image/Link below is provided (as is) to download presentation Download Policy: Content on the Website is provided to you AS IS for your information and personal use and may not be sold / licensed / shared on other websites without getting consent from its author. Content is provided to you AS IS for your information and personal use only. Download presentation by click this link. While downloading, if for some reason you are not able to download a presentation, the publisher may have deleted the file from their server. During download, if you can't get a presentation, the file might be deleted by the publisher.

E N D

Presentation Transcript


  1. GEARBOX CASINGS B13.25 - B13.29 - B13.35 B2.37 MR 328 - 04.2000 - EN

  2. Gearbox casings Exploded view Fig. 1 MR 328 - 04.2000 - EN B2.38

  3. Gearbox casings Introduction The operations described below are applicable to the three types of TEMIS gearbox. Particularities specific to a given gearbox are indicated by the gearbox designation in italics. Key (25) Range control lever (25a) Range control attachment bolts Gear change controls (26) Sealing ring (27) Needle roller bearing (28) Lip seal (29) Gear lever pin (30) Adjustment shim (31) Spring (32) Lever (33) Needle roller bearing (34) Cap (35) Set screw Range controls (36) Sealing ring (37) Needle roller bearing (38) Lip seal (39) Range control pin (40) Adjustment shim (41) Spring (42) Set screw (43) Needle roller bearing (44) Lever (45) Cap (46) Range control lever pin (46a) Lever pin attachment bolts (47) Guide gate (B13.29 and B13.35) (47a) Gate attachment bolts (48) Guide gate (B13.25) (48a) Gate attachment bolts (1) Input housing casing (2) Input housing top cover (2a) Top cover attachment bolts (3) Input housing bottom cover (3a) Bottom cover attachment bolts (4) Main gearbox bottom cover (5) Seal (6) Main gearbox bottom cover (7) Gasket (8) Gasket (9) Dip-stick (10) Pipe (11) Drain plug (12) Sealing ring (13) Seal (14) Main gearbox housing (15) Main gearbox top cover (16) Top cover fasteners (17) Support (18) Range control boot (19) Gear lever boot (20) Range control flanges (20a) Flange fasteners (21) Range control bellcrank (22) Gear control bellcrank (23) Stud (23a) Split pins (24) Gear lever (24a) Gear lever attachment bolts Input housing covers Main gearbox covers Removal - Remove the top cover (2) after removing the attachment bolts (2a). - Install a drip pan to collect the oil then remove the bottom cover (3) by removing the attachment bolts(3a). Bottom cover removal - Position a drip pan under the housing to collect the oil. - Drain the housing by removing the drain plug (11). - Remove the sealing bush (12). - Remove the pipe (10) and dipstick (9). - Extract the seal (13). - Unscrew attachment bolts (4a) and remove the cover (4) and gasket (7). - Unscrew attachment bolts (6a) and remove the cover (6) and seal (8). - Remove and replace the seal (5). Reinstallation - Clean the mating surfaces on the covers and the housing. - Coat the mating surfaces with Loctite (ref. 77 11 101 792). - Install the covers and tighten the attachment bolts. B2.39 MR 328 - 04.2000 - EN

  4. Gearbox casings Lower cover installation - Clean the mating surfaces on the covers (4) and (6) and the housing (14). - Fit new gaskets (7) and (8) after smearing them with oil. - Reinstall the covers (4) and (6) tightening the attachment bolts (4a) and (6a). - Reinstall the pipe (10), the dipstick (9) and the drain plug (11) after inserting the new seal (13) and the new bush (12). Top cover removal/installation Removal - Set control levers (24) and (25) to neutral. On gearbox B13.25, select the range control to position (3). - Unscrew the nuts (A) attaching the control lever support (17) (Fig.?1 and 2). - Drive out the split pins (23a) from the levers (21) and (22) (Fig.1). - Remove the support assembly (17) (Figs.?1 and 2) by extracting levers (21) and (22) (Fig.1). - Unscrew the attachment bolts (16) from the cover (15) (Fig.1). - Carefully raise the cover to disconnect the drive pins (32) and (44) from the sliding gear selectors (Fig.1). - Remove the gear change pin in accordance with the following sequence (Fig.1): ? Unscrew the locking pin (35). ? Slide the pin (29) recovering the pin (32), the spring (31), and the shim (30). ? Extract the bush (26), the seal (28) and the needle roller bearing (27) (Figs.?3 and 4). Fig. 2 Fig. 3 Fig. 4 MR 328 - 04.2000 - EN B2.40

  5. Gearbox casings ? Extract the cap (34) and the needle roller bearing (33) (Figs. 5 and 6). ? Carefully examine all the parts, replace any found to be defective, and systematically replace all the seals. - Remove the range pin in accordance with the following sequence (Fig.1): ? Remove the gate (47) or (48) depending on the version by removing the attachment bolts (47a) or (48a). ? Remove the lever pin (46) by unscrewing the attachment bolts (46a). ? Extract the lever pin (46) from the pin (44). ? Unscrew the set screw (42). ? Slide the pin (39) recovering the pin (44), the spring (41), and the shim (40). ? Extract the bush (36), the seal (38) and the needle roller bearing (37) (Figs.?3 and 4). ? Extract the cap (45) and the needle roller bearing (43) (Figs. 5 and 6). ? Carefully examine all the parts, replace any found to be defective, and systematically replace all the seals. Fig. 2 Fig. 5 Installation Clean all the mating surfaces on the housing and the cover. Gear control - Smear the seals (lightly) and the needle roller bearings with oil before assembly. - Install the new bush (26), the needle roller bearing (27) with Loctite followed by the new seal (28) in the cover bore. - Install the needle roller bearing (33) with Loctite in the cover bore and the cap (34). - Lightly oil the pin (29), then insert it into the cover bore, replacing in sequence the shim (30), the spring (31) and the pin (32). Fig. 6 Range control - Before installation, smear with oil (lightly) the seals and the needle roller bearings. - Install the new bush (36), the needle roller bearing (37) with Loctite followed by the new seal (38) in the cover bore. - Reinstall the needle roller bearing (43) with Loctite in the cover bore and the cap (45). - Lightly oil the pin (39), then insert it into the cover, replacing sucessively the shim (40), the spring (41) and the pin (42). - Secure the lever pin (46) and the gate (47) or (48), depending on the version, coating the fasteners with Loctite at (A) and (B) (Fig. 7). Fig. 7 B2.41 MR 328 - 04.2000 - EN

  6. Gearbox casings Lever adjustment - Position the lever on the pin so that it is aligned with the selector and tighten the set screws (35) and (42) (Fig. 1). Note: Each set screw should fall in the centre of the cup in the corrsponding pins in order to leave a slight gap in the centre. - Correctly position the gear selectors (Fig. 8): For gearboxes B13.29 and B13.35: ? gear lever: in neutral ? range lever: in neutral For gearbox B13.25: ? gear lever: in neutral ? ’Road/field’ range lever: on field ? ’Slow’ range lever: in ’Road/field’ position ? ’Crawler’ selector: in neutral. Fig. 8 - Install the support together with the control levers (17). - Temporarily locate the cover on the housing. - Check the lever (32) is positioned opposite the gear selector (V) (Fig. 9) and that the lever pin (46) is positioned opposite the ’road/field’ selector (G). For gearbox B13.25, the lever pin (46) must also be opposite the slow and crawler range control selector (R). - Operate the control levers and check correct selector of the gears, in particular those for the slow and crawler range. - Finally, install the cover attachment bolts, with jointing compound ref.: MPR 7711101792 and tighten the bolts to 4 daN.m. - If necessary, adjust the selector forks; refer to the corresponding chapter. Fig. 9 Fig. 11 MR 328 - 04.2000 - EN B2.42

  7. SELECTER RAILS AND FORKS B13.25 - B13.29 - B13.35 B2.43 MR 328 - 04.2000 - EN

  8. Selecter rails and forks Introduction Gearbox B13.25 controls (Fig. 1) The gear and range controls are mechanical. They are operated via three levers located in the cab: - One 5-position gear-lever for gears 1, 2, 3 and 4 + neutral, - One 5-position range control lever for the Road/field/slow/crawler ranges: 1, 2, 3, 4 and N (Neutral), Note: This lever has two intermediate positions which correspond to intermediate neutral positions. - One 3-position for the reverser, on the LH side of the steering wheel: Forward / Reverse + Neutral Note: The maintenance operations on the selecter rails and forks for the power take off control are covered in the ’Power take off’ chapter. Reverser Gears Ranges Gears Reverser Ranges Ranges Fig. 1 MR 328 - 04.2000 - EN B2.44

  9. Selecter rails and forks Gearbox B13.29 controls (Fig. 2) The gear and range controls are mechanical. They are operated via four levers located in the cab: - One 5-position lever for gears 1, 2, 3 and 4 + neutral, - One 3-position range lever for the road/field ranges: I, II and N (Neutral), - One 3-position lever for the reverser, on the LH side of the steering wheel: Forward/Reverse + Neutral, - One 3-position lever for the doubler, on the RH side of the steering wheel: speeds 1, 2 + Neutral. Doubler Gears Reverser Gears Doubler Ranges Fig. 2 B2.45 MR 328 - 04.2000 - EN

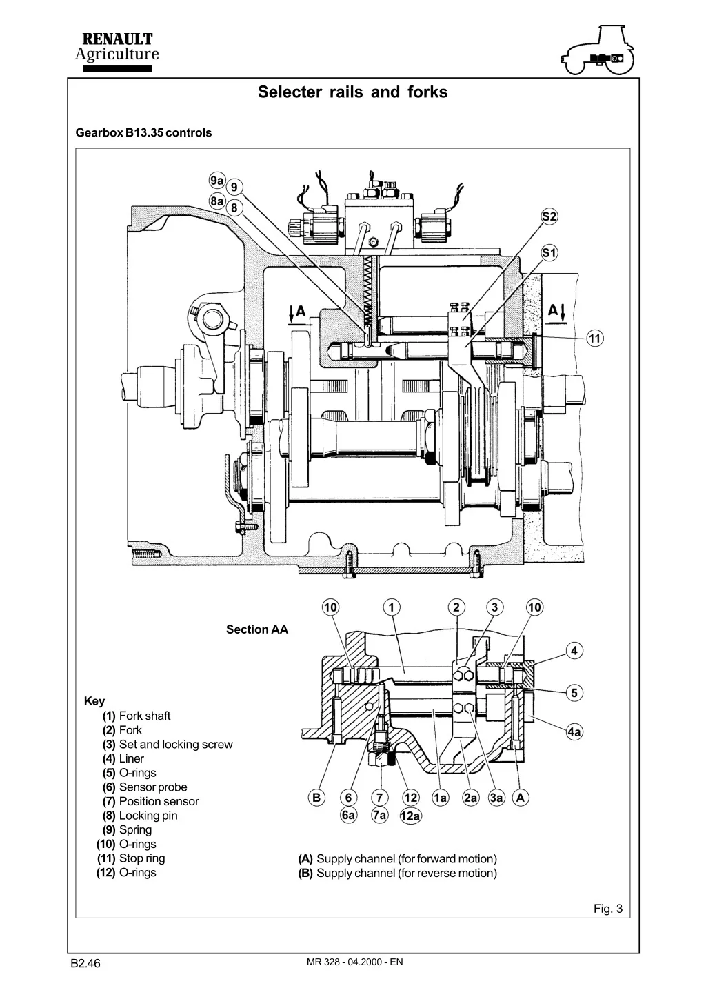
  10. Selecter rails and forks Gearbox B13.35 controls Section AA Key (1) Fork shaft (2) Fork (3) Set and locking screw (4) Liner (5) O-rings (6) Sensor probe (7) Position sensor (8) Locking pin (9) Spring (10) O-rings (11) Stop ring (12) O-rings (A) Supply channel (for forward motion) (B) Supply channel (for reverse motion) Fig. 3 MR 328 - 04.2000 - EN B2.46

  11. Selecter rails and forks Gearbox B13.35 (Fig. 3) The gear and road/field range controls are mechanical. They are operated via two levers located in the cab.: - One 5-position gear lever for gears 1, 2, 3 and 4 + neutral, - One 3-position range lever for the road/field ranges: I, II and N (Neutral), The tripler/reverser controls are electro-hydraulic, and are operated via: - One 4-position lever for the reverser, located on the LH side and at the top of the steering wheel: declutched, forward, reverse and neutral. - One electrical push-button located on the gear lever. This switch moves up or down one of the tripler speeds. Refer to the ’TRACTONIC’ input housing chapter. Note: The synchronisers are controlled by hydraulic pressure exerted on each end of the selecter rails. Removal/installation of the main gearbox selecter rails and forks Note: The operations described below for the removal/installation of the guide rods and forks are applicable to all three types of gearbox, apart from the selecter rails and forks for the slow and crawler ranges on gearbox B13.25. Fig. 2 Key to the exploded view (Fig. 4) (1) 1st/2nd gear fork (2) 1st/2nd gear fork locking screw (3) 1st/2nd gear selecter rail (4) 2nd/3rd gear fork (5) 2nd/3rd gear fork locking screw (6) 2nd/3rd gear selecter rail (7) 1st/2nd gear fork selector (8) 1st/2nd gear fork selector locking screw (9) 2nd/3rd gear fork selector (10) 2nd/3rd gear fork selector locking screw (11) Spring (12) Ball (13) Pin (14) Push-button (14a) Switch (15) Ball (16) Needle (17) 1st Road/field range fork (18) 2nd Road/field range fork (19) Road/field range selecter rail (20) Road/field range selector (21) Selector locking screw (22) Fork locking screw (23) Washers (24) Spring (25) Ball Gearbox B13.25 specific parts (26) Low speed range fork (27) Low speed range fork locking screw (28) Crawler speed range fork (29) Crawler speed range fork locking screw (30) Low speed range selector (31) Low speed range selector locking screw (32) Crawler speed range selector (33) Crawler speed range selector locking screw (34) Low speed range selecter rail (35) Crawler speed range selecter rail (36) Plug (37) Sealing bush (38) Rod (39) Spring (40) Ball (41) Plug (42) Sealing bush (43) Rod (44) Spring (45) Ball (46) Pin B2.47 MR 328 - 04.2000 - EN

  12. Selecter rails and forks Exploded view Specific to gearbox B13.25 Fig. 4 MR 328 - 04.2000 - EN B2.48

  13. Selecter rails and forks Preliminary steps - Remove the input housing. - Disconnect the rear axle from the main gearbox. Refer to the corresponding chapters. Removal/installation of the selecter rails and forks for 1st, 2nd , 3rd and 4th gears. - Set the gear lever to neutral. - Remove the fasteners from the main gearbox top cover. - Lift the complete cover and remove it from the housing (Fig. 5). - Mark the positions of selectors (7) and (9). - Loosen the bolts (8) and (10) on selectors (7) and (9) (Figs. 4 and 6). - Remove the locking wire from bolts (2) and (5) on forks (1) and (4) (Figs. 4 and 6). - Loosen the bolts (2) and (5) on forks (1) and (4) (Figs. 4 and 6). - Disconnect and remove the switch (14a) on the RH side of the housing (Fig. 7). - Using tool 8540, extract the push-button (14) and the ball (15) (Fig. 7). - Drive out the selecter rails (3) and (6) one at a time, recovering the forks and selectors. Fig. 5 During extraction, the locking balls (12) will be expelled by the springs (11) (Fig. 7). Keep a hand over the hole to catch them. - Recover the balls (12) and the springs (12). - Extract the needle (16) from the rod (3). - If necessary, extract the pin (13) (Fig. 8). Fig. 6 Fig. 11Fig. 7 Fig. 8 B2.49 MR 328 - 04.2000 - EN

  14. Selecter rails and forks Installation - Lubricate the selecter rails with oil. - Replace the pin (13) in its housing. - Insert the needle (16) in the corresponding hole in the rod (3). - Insert the selecter rails (3) and (6) in the corresponding bores in the housing, inserting the springs (11) and the balls (12) in their corresponding holes. Then install the forks (4) and (1) inserting the selectors (7) and (10). - Position the selecter rails so as to obtain the neutral position at the rod cups (centre notch). - Install the ball (15), the push-button (14) and the microswitch (14a) without tightening. Fork adjustments - Position the forks and sliding gears in the neutral (centre) position. - Position the forks and sliding gears in the forward engaged position (gears 1 and 3). - Position the sliding gears against their stops by hand. - Position the selecter rails in the corresponding locked position. - Lock the forks with their set screws. Maintaining the the sliding gears against their stops, check the clearance is the same on each side of the fork in the groove on each sliding gear. - Position the sliding gears in the opposite engaged position and check the same clearance. Fig. 9 Note: The presence of a free plate on the selecter rails enables the clearance to be distributed between the two engaged positions. - Finally, reposition the sliding gears in the neutral position. Check the forks are not under strain in the groove on each sliding gear. - Wire-lock the fork bolts. - Screw the bolts into the selectors (7) and (9). - Position the selectors in accordance with the marks applied prior to removal, adjust the clearance as shown in Fig. 9, then tighten the bolts (8) and (10). - Tighten the switch (14a). MR 328 - 04.2000 - EN B2.50

  15. Selecter rails and forks B13.29 and B13.35 gearboxes Removal/installation of the selecter rails and forks for the road/field range - Set the range lever to neutral. - Remove the attachment fasteners from the main gearbox top cover. - Raise the cover complete and remove it from the housing (Fig. 5). - Mark the position of the selector (20) (Fig. 10). - Loosen the bolt (21) on the selector (20) (Fig. 4). - Loosen the bolts (22) on the forks (17) and (18) (Fig. 10). - Slide the selecter rail (19) to the back of the housing and recover the fork (17) (Fig. 11). Fig. 10 During extraction, the locking ball (25) will be ejected by the spring (24) (Fig. 12). Keep a hand over the hole to catch it. - Completely remove the selecter rail (19) recovering the fork (18) and the selector (20) (Fig. 11). - Extract the spring (24) (Fig. 12). Installation - Lightly oil the guide rod. - Install the guide rod (19) in the corresponding bore in the housing, successively inserting the fork (18) and the selector (20). - Install the spring (24) and the ball (25) in the bottom of the hole, then complete the sliding of the selecter rail so as to position the ball beneath the rod, then insert the fork (17) on the rod. Fig. 11 Adjustment - Position the sliding gears in the ’neutral’ position. - Position the selecter rail (19) in the corresponding locked position. - Position the forks (17) and (18) such that the tip of each bolt falls in each of the cup holes in the guide rod then tighten and lock the bolts. Note: The lateral clearance on each side of the bolt should be the same. - Position the selector (20) in the position marked prior to removal and tighten and lock the bolt (21). The bolt should fall in the cup hole machined in the guide rod. - Install the cover on the gearbox (refer to the corresponding chapter). Fig. 12 B2.51 MR 328 - 04.2000 - EN

  16. Selecter rails and forks B13.25 gearbox Removal/installation of the selecter rails and forks for the road/field range - Position the range lever in the ’field’ position. - Remove the main gearbox top cover attachment bolts. - Lift the complete cover and remove it from the housing (Fig. 5). - Mark the position of the selector (20) (Fig. 10a). - Loosen the bolt (21) on the selector (20) (Fig. 4). - Loosen the bolts (22) on the forks (17) and (18) (Fig. 10a). - Slide the selecter rail (19) to the back of the housing and recover the fork (17) (Fig. 11a). Fig. 10a During extraction, the locking ball (25) will be ejected by the spring (24) (Fig. 12a). Keep a hand over the hole in order to catch it. - Completely remove the selecter rail (19) recovering the fork (18) and the selector (20) (Fig. 11a). - Extract the spring (24) (Fig. 12a). Installation - Lightly oil the selecter rail. - Install the selecter rail (19) in the corresponding bore in the housing, successively inserting the fork (18) and the selector (20). - Install the spring (24) and the ball (25) in the bottom of the hole, then complete sliding of the selecter rail to position the ball beneath the rod and insert the fork (17) on the rod. Fig. 11a Adjustment - Position the sliding gears in the ’field’ position. - Position the selecter rail (19) in the corresponding locked position. - Position the forks (17) and (18) so the tip of each bolt falls in each of the cup holes in the guide rod, then tighten and lock the bolts. Note: The lateral clearance should be the same on each side of the bolt. - Position the selector (20) in the position marked prior to removal (21) and lock it. The bolt should fall in the cup hole machined in the guide rod. Fig. 12a MR 328 - 04.2000 - EN B2.52

  17. Selecter rails and forks B13.25 gearbox Removal/installation of the selecter rails and forks for the slow/crawler range - Position the range lever in the ’field’ position. - Remove the attachment fasteners from the main gearbox top cover. - Raise the cover complete and remove it from the housing (Fig. 5). - Remove the locking wire from the bolts (27) and (28). - Mark the position of the selectors (30) and (32) (Fig. 13). - Loosen the bolts (31) on the selector (30) (Fig. 4 and 13). - Loosen the bolt (33) on selector (32) (Figs. 4 and 13). - Loosen the bolt (29) on fork (28) (Fig. 13). - Loosen the bolt (27) on fork (26) (Fig. 13). - Loosen the plugs (36) and (41) (Figs. 4 and 14), without removing them. - Slide the selecter rail (35) to the front of the housing and recover the selector (32) and the fork (28) (Fig. 13). - Slide the selecter rail (34) to the front of the housing and recover the selector (30) and the fork (26) (Fig. 13). - Remove the plugs (36) and (41) with seals (37) and (42) (Fig. 14). - Using tool 8540, extract the rod (38), the spring (39), the ball (40) (Fig. 14). Extract the rod (43), the spring (44) and the ball (45). - Extract the pin (46) (Fig. 15). - Carefully examine all the parts and replace any found to be defective. Systematically replace seals (37) and (32). Fig. 13 Slow range Crawler range Fig. 14 Installation - Lightly oil the selecter rails. - Install the pin (46). - Install the selecter rail (35) in the corresponding bore in the housing, successively inserting the fork (28) and the selector (32). - Install the selecter rail (34) into the corresponding bore in the housing, inserting successively the fork (26) and the selector (30). - Install the ball (45), the spring (44) and the rod (43) in the bottom of the corresponding hole. Install the plug (41) with a new seal (42), without tightening it. - Install the ball (40), the spring (39) and the rod (38) in the bottom of the corresponding hole. Install the plug (36) with a new seal (37), without tightening it. Fig. 15 B2.53 MR 328 - 04.2000 - EN

  18. Selecter rails and forks Adjustment - Position the slow range sliding gear (BL) in the ’Road/ field’ position (fully forward) (Fig. 16). - Position the setting shim 8581 (0.3-mm thick) in the front groove of the primary shaft (AP) and push the sliding gear against the shim (Fig. 16). - Position the selecter rail (34) in the corresponding locked position. - Tighten the bolt (27) on the fork (26) to 3 daN.m. - Position the sliding gear in the slow position (pulled back) and check the positive contact between the sliding gear and the stop. - Tighten the lock. The selecter rail and the gear should be locked (Fig. 17). - Again position the slow range sliding gear on the ’Road/field’ position (fully forward). - Position the crawler range sliding gear in the ’neutral’ position (fully back). - Position the selecter rail (35) in the corresponding locked position. - Position the forks (26) and (27) so the tip of each bolt falls into each of the cup holes in the corresponding selecter rail, then tighten and lock the set screws. Note: The lateral clearance should be the same on each side of the fork. - Position the selectors (30) and (32) in the position marked prior to removal, then tighten and lock the bolts (31) and (33). The bolt should fall in the cup hole machined in the corresponding selecter rail. - Temporarily fit the gearbox cover and check the correct operation of the forks (refer to the corresponding chapter). - Once the adjustment is complete, wire-lock the bolts and forks. - Tighten the plugs (36) and (41). Fig. 16 Fig. 17 MR 328 - 04.2000 - EN B2.54

  19. Selecter rails and forks B13.25 - B13.29 input housings Note: The description of the reverser is common to both types of gearbox. Gearbox B13.29 additionally includes a range doubler. For the slow and crawler ranges on gearbox B13.25, refer to the main gearbox section. Removal/installation of the reverser selecter rails and forks (B13.25 and B13.29) Key (10) Plug (11) Reverser control lever (12) Outer stop ring (13) Washer (14) Needle roller bearing (15) Lip seal (16) Washer (17) Drive lever (18) Pin locking bolt (57) Reverser control cable (1) Reverser fork (2) Reverser selecter rail (3) Reverser selector (4) Selector locking bolt (5) Reverser fork locking bolt (6) Lock (7) Pin (8) Spring (9) Sealing bush Fig. 18 Removal (Fig. 18): - Disconnect the control cable (57) from the lever (11). - Extract the stop ring (12). - Loosen the bolt (18) on the lever (17). - Remove the control lever (11) recovering the lever (17) and washers (16) and (13). - Extract the seal (15) and the needle roller bearing (14) - Unscrew the plug (10), extract the seal (9). - Using the appropriate tool, remove the spring (8), the pin (7) and the lock (6) from the locking system. - Remove the locking wire from the fork (5). - Loosen the bolt (4) on the selector (3). - Slide the guide rod (2) to recover the selector (3) and the fork (1). - Carefully examine all the parts and replace any found to be defective; systematically replace the seals. Installation of the rod and the fork - Lightly oil the selecter rail. - Locate the fork (1) on the reverser sliding gear. - Insert the selecter rail in the corresponding bore in the housing, then in the fork bore, then in the selector bore (3). - Install the lock (6), the pin (7), the spring (8) the new seal (9) and the plug (10) without tightening. B2.55 MR 328 - 04.2000 - EN

  20. Thank you very much for your reading. Please Click Here. Then Get COMPLETE MANUAL. NO WAITING NOTE: If there is no response to click on the link above, please download the PDF document first and then click on it.

  21. Selecter rails and forks Fork adjustment - Position the fork (1) and the sliding gear in the neutral (centre) position. - Position the fork (1) and the sliding gear forwards in the engaged position. - Push the sliding gear against its stop by hand. - Position the selecter rail (2) in the corresponding locked position. - Lock the fork (1) with the set screw (5). Maintaining the sliding gear in contact with its stop, check the clearance is the same on each side of the fork pads in the sliding gear groove. - Position the sliding gear in the opposite engaged position and check the same clearance. Note: The presence of a free play on the guide rod enables the clearance to be balanced between the two engaged positions. - Finally reposition the sliding gear in the neutral position. Check the fork is not under strain in the sliding gear groove. - Position the selector (3) so the bolt (4) falls in the cup hole machined in the rod. - Lock the set screw whilst maintaining a slight lateral and symmetrical clearance. - After adjustment, wire lock the set screw (5) on the fork. - Tighten the plug (10). Control lever installation - Lightly oil the needle roller bearings. - Install the needle roller bearings (14) in the housing bore with Loctite Scelbloc. - Install a new seal (15). - Install the control lever in the housing bore, inserting washers (13) and (16) and finally the lever (17), positioning it simultaneously in the selector (3). Note: The lateral clearance should be between 0.5 and 1 mm. - Install the stop ring (12). - Adjust the lever (17) and tighten the locking bolt (18) whilst maintaining a slight symmetrical lateral clea- rance. - Reconnect the control cable (57) to the lever (11). Removal/installation of the reverser selecter rails and forks (B13.29 only) Key (29) Doubler control lever (30) Outer stop ring (31) Washer (32) Needle roller bearing (33) Lip seal (34) Washer (35) Drive lever (36) Lever locking bolt (47) Doubler control cable (20) Doubler fork (21) Doubler fork locking bolt (22) Doubler selecter rail (23) Lock (24) Rod (25) Spring (26) Pin (27) Sealing bush (28) Plug Fig. 19 MR 328 - 04.2000 - EN B2.56

  22. Selecter rails and forks Removal (Fig. 19): - Disconnect the control cable (47) from the lever (29). - Extract the stop ring (30). - Loosen the bolt (36) on the lever (35). - Remove the control lever (29) recovering the drive lever (35) and washers (34) and (31). - Extract the seal (33) and the needle roller bearings (32) - Unscrew the plug (28), extract the seal (27). - Using the appropriate tool, remove the pin (26), the spring (25), the rod (24) and the lock (23) from the locking system. - Remove the locking wire (21) from the fork. - Loosen the bolt (21) on the fork (20). - Slide the selecter rail (22) and the fork (20). - Carefully examine all the parts and replace any found to be defective ; systematically replace the seals. - Lock the fork (20) with the set screws (21). Whilst maintaining the sliding gear against its stop, check the presence of an equal clearance on each side of the fork pads in the sliding gear groove. - Position the sliding gear in the opposite engaged position and check the same clearance. Note: The presence of a free play on the selecter railenables the clearance to be balanced between the two engaged positions. - Finally reposition the sliding gear in the neutral position. Check that the fork is not under strain in the sliding gear groove. - Position the selector (35) such that the bolt (36) falls in the cup hole machined in the shaft. - Lock the set screw, maintaining a slight symmetrical and lateral clearance. - After adjustment, wire lock the set screws (21) on the fork. - Tighten the plug (28). Installation of the selecter rail and the fork - Lightly oil the selecter rail. - Locate the fork (20) on the doubler sliding gear. - Insert the selecter rail in the corresponding bore in the housing, then in the fork bore. - Install the lock (23), the rod (24), the spring (25) the pin (26), the new seal (27) and the plug (28) without tightening. Control lever installation - Lightly oil the needle roller bearings. - Reinstall the needle roller bearings (32) in their bore in the housing with Scelbloc Loctite . - Install the new seal (33). - Install the control lever in the housing bore, inserting the washers (31) and (34) and finally the drive lever (35), positioning it simultaneously in the fork selector (20). Note: The lateral clearance should be between 0.5 and 1 mm. - Install the stop ring (30). - Adjust the drive lever (35) and tighten the locking bolt (36) whilst maintaining a slight symmetrical and lateral clearance. - Reconnect the control cable (47) to the lever (29). Fork adjustment - Position the fork (20) and the sliding gear in the neutral position (centre). - Position the fork (20) and the sliding gear in the engaged position towards the front. - Push the sliding gear against its stop by hand. - Position the selecter rail (22) in the corresponding locked position. B2.57 MR 328 - 04.2000 - EN

  23. Selecter rails and forks Control lever adjustment (B13.25 and B13.29) The procedure is identical for both controls. - Act on the control cable adjustment nut in order to achieve the required length of threaded rod. - Tighten the locknuts. Reverser (50) Reverser control lever (51) Ball (52) Outer stop ring (53) Link (54) Yoke (55) Support bracket (56) Blanking plate (57) Control cable (58) Support bracket Fig. 20 Doubler (B13.29 only) (40) Doubler control lever (41) Ball (42) Outer stop ring (43) Link (44) Yoke (45) Support bracket (46) Blanking plate (47) Control cable (48) Support bracket (49) Support bracket Fig. 21 MR 328 - 04.2000 - EN B2.58

More Related