1 / 20

复习: 74LS163 的逻辑功能

工作模式. 0. X. X. X. 同步 置 零. 1. 0. X. X. 同步 预置数. X. 1. 1. 0. 1. 保持. X. 1. 1. X. 0. 保持( C=0 ). 1. 1. 1. 1. 加法计数( 16 进制). 复习: 74LS163 的逻辑功能. 工作模式. X. 0. X. X. X. 异步 置 零. 1. 0. X. X. 同步 预置数. X. 1. 1. 0. 1. 保持. X. 1. 1. X. 0. 保持( C=0 ). 1. 1.

Download Presentation

复习: 74LS163 的逻辑功能

An Image/Link below is provided (as is) to download presentation Download Policy: Content on the Website is provided to you AS IS for your information and personal use and may not be sold / licensed / shared on other websites without getting consent from its author. Content is provided to you AS IS for your information and personal use only. Download presentation by click this link. While downloading, if for some reason you are not able to download a presentation, the publisher may have deleted the file from their server. During download, if you can't get a presentation, the file might be deleted by the publisher.

E N D

Presentation Transcript


  1. 工作模式 0 X X X 同步置 零 1 0 X X 同步预置数 X 1 1 0 1 保持 X 1 1 X 0 保持(C=0) 1 1 1 1 加法计数(16进制) 复习:74LS163的逻辑功能

  2. 工作模式 X 0 X X X 异步置 零 1 0 X X 同步预置数 X 1 1 0 1 保持 X 1 1 X 0 保持(C=0) 1 1 1 1 加法计数(十进制) 复习:74LS160的逻辑功能

  3. 用集成计数器构成任意进制计数器 假设已有N进制计数器,要构成M进制计数器,分两种情况: ◆ M<N: 反馈清零法:异步清零端、同步清零端 反馈置数法:异步置数端、同步置数端 ◆M>N: M=N1N2 串行进位法、并行进位法 M: 整体置零法、整体置数法

  4. 例1:分析电路是几进制计数器? 左图为12进制计数器。 右图为7进制计数器。 思考:若将74160改为74163,则结果如何变化? 13进制计数器。

  5. 分析电路是几进制计数器? 图为12进制计数器。 思考:若将图中的74163改为74161则结果如何变化? 变为11进制计数器。(因为74161是异步置0的)进位输出也不存在了。 若还想实现12进制计数器怎么办? 利用Q3Q2Q1Q0=1100(12)作为反馈状态。

  6. 瞬态 0000 0001 0010 0011 0100 0 0 1 1 0110 0101 [例2]试利用同步十进制计数器74160接成同步六进制计数器 由于74160是异步清零端 解: 反馈置零法 0 N=6 Q3Q2Q1Q0=0110

  7. 0 1 1 0 0 改进电路 0

  8. 0000 0001 0010 0011 0100 0 0 1 1 0101 [例3]试利用同步十进制计数器74160接成同步六进制计数器 由于74160是同步置数端 解: 反馈置数法 置0000,记数范围0~5 0

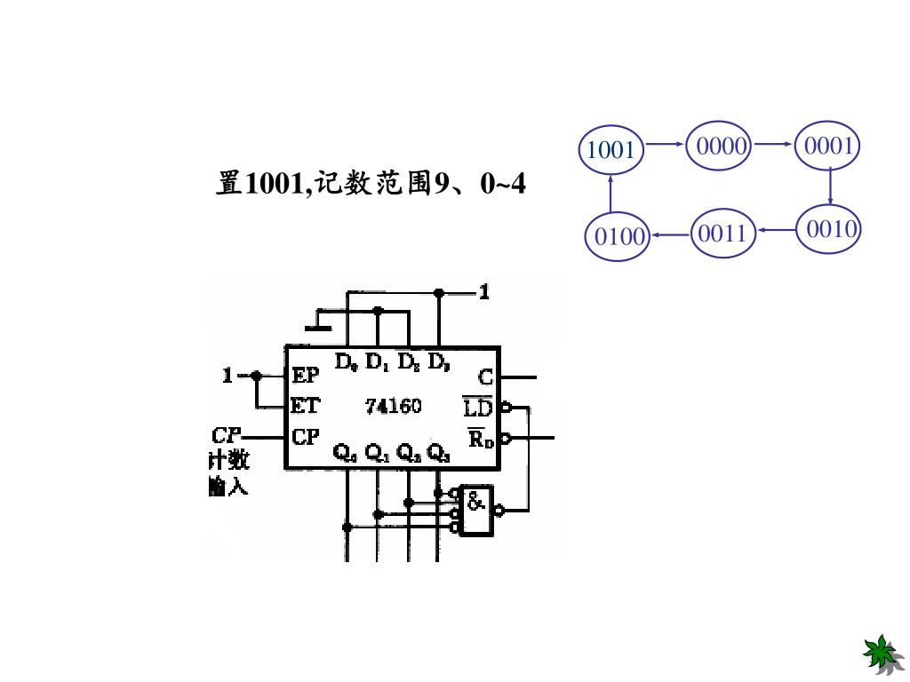
  9. 1001 0000 0001 0010 0011 0100 置1001,记数范围9、0~4

  10. & 1 0 0 1 Q0 Q1 Q2 Q3 1 CO EP 74163 LD 1 ET 1 RD CP D0 D1 D2 D3 0 0 0 0 0 0 0 0 1010 1011 0000 0001 0010 0011 0100 1100 1101 1111 1110 1001 0111 0110 0101 1000 例4 采用“反馈置数法”,用74163构成十进制加计数器 由于74163是同步置数端 0 思考:校验一下能否自启动

  11. 1 1 1 1 Q0 Q1 Q2 Q3 1 1 CO EP 74163 LD ET 1 1 RD CP D0 D1 D2 D3 CP 0 1 1 0 0101 0100 1101 1110 1111 0110 0111 0000 0011 1100 0001 0010 1011 1010 1001 1000 另一种接法: 0

  12. M > N [例5]试利用两片同步十进制计数器74160接成100进制计数器 解: (1)并行进位法

  13. (2)串行进位法 为什么要非门?

  14. [例6]试利用两片同步十进制计数器74160接成29进制计数器[例6]试利用两片同步十进制计数器74160接成29进制计数器 (2) (1) N=29,Q3Q2Q1Q0 Q3Q2Q1Q0=00101001 解: (1)整体置零法 由于74160是异步清零端,所以用“29”作为反馈状态。

  15. (2)整体置数法: 由于74160是同步置数端,所以用“28”作为反馈状态。

  16. 0 0 0 1 1 0 1 1 & Q0 Q1 Q2 Q3 Q0 Q1 Q2 Q3 1 CO CO EP EP 74163 74163 1 LD LD ET ET 1 1 RD RD D0 D1 D2 D3 CP CP D0 D1 D2 D3 CP 思考:若将图中的74163改为74160,则计数长度为多少? 例7 试用两片74163实现100进制计数器。 由于74163为同步置数端,所以用“99”作为反馈状态。 若使用反馈置数法 方法一:先用两片74163采用并行进位法构成256进制计数器, 然后再用“同步置数”法构成100进制计数器。

  17. 1 0 0 0 1 1 0 1 1 & 1 Q0 Q1 Q2 Q3 Q0 Q1 Q2 Q3 1 CO CO EP EP 74163 74163 1 LD LD ET ET 1 1 RD RD D0 D1 D2 D3 CP CP D0 D1 D2 D3 CP 方法二:通过串行进位的方法构成256进制计数器,再用“同步置数” 法构成100进制计数器。 思考:能否用“清零端”实现100进制计数器?电路如何实现?

  18. 方法三:当M可分解成N1和N2时,可将两个计数器分别接成N1进制计数器和N2进制计数器,然后再将两个计数器级联起来。因此,100进制计数器可由两个10进制计数器级联而成。方法三:当M可分解成N1和N2时,可将两个计数器分别接成N1进制计数器和N2进制计数器,然后再将两个计数器级联起来。因此,100进制计数器可由两个10进制计数器级联而成。

  19. 课堂练习: 题6.11: 7进制计数器。 题6.12: 7进制计数器。

  20. 小 结 作 业 熟练掌握用MSI计数器(74163、74160)实现N进制计数器的方法。 P190 6.15、6.16、6. 19、6. 20

More Related