2.44k likes | 2.73k Views
机械设计基础 (下 ). 2004年 春. 机械设计基础主要内容. 金 属 材 料 螺 纹 联 接 机构的自由度 平面连杆机构 凸 轮 机 构 间歇运动机构 齿轮传动 齿轮系 带传动 链传动 轴 / 轴承 / 联轴器与离合器. 返回. Unit 5 带传动. 带传动特点 与 类型 V 带 与 带轮 带传动的受力分析 带传动的弹性滑动 普通 V 带传动的设计 带传动的张紧和维护 思考题 五. 返回. 带传动特点. 1、适用于远距离传动; 2、能缓冲和吸收振动,传动平稳、噪音小;
 
                
                E N D
机械设计基础(下) 2004年 春
机械设计基础主要内容 • 金 属 材 料 • 螺 纹 联 接 • 机构的自由度 • 平面连杆机构 • 凸 轮 机 构 • 间歇运动机构 • 齿轮传动 • 齿轮系 • 带传动 • 链传动 • 轴/轴承/联轴器与离合器 返回
Unit 5 带传动 • 带传动特点与类型 • V带与带轮 • 带传动的受力分析 • 带传动的弹性滑动 • 普通V带传动的设计 • 带传动的张紧和维护 思考题五 返回
带传动特点 1、适用于远距离传动; 2、能缓冲和吸收振动,传动平稳、噪音小; 3、过载时,带传动打滑可以防止其他零件损坏; 4、结构简单,制造、安装和维护均较方便; 5、不能保证准确的传动比,对轴压力大; 6、相对于链传动寿命短; 7、摩擦生电,一般不宜用于有易燃物场所; 一般带传递的功率P  100KW,=5-25m/s(最大60m/s),I  7。 返回
带传动类型 平带,V带,多楔带,园带,同步带 返回
V 带 返回
V带结构 • 节宽bp, • 基准直径dd • 基准长度ld • 楔角φ=400 中性层---弯曲时长度和宽度均不变的层 • V带标记 B1000GB1171--89 返回
带轮结构 返回
带轮结构 返回
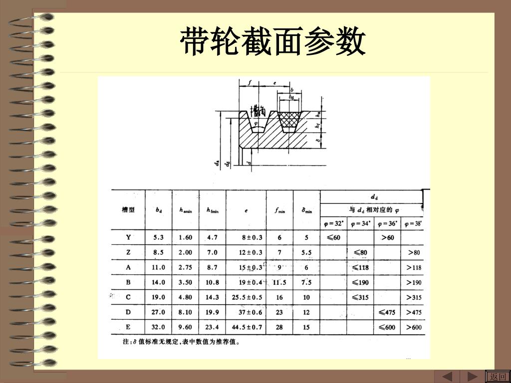
带轮截面参数 返回
带传动受力分析 F0 F2 F0F1 1、初拉力F0---工作前,带两边承受相等的拉力。 2、工作时:紧边(绕入主动轮一边)--拉力由F0F1; 松边(绕入被动轮一边)--拉力F0 F2。 3、带传动的有效拉力:F= F1- F2=2 F0(efv*1-1)/(ef*1+1) 其中:Fv=f/sin/2; 1—包角;传递功率P=FV/1000(KW) 返回
带传动打滑 打滑—一定初拉力F0下,带与带轮面间的摩擦力总和有一极限,当传递的圆周力超过该极限时,带将沿带轮全面打滑。 返回
带传动应力分析 1、由拉力产生的应力σ1=F1/A, σ2=F2/A; 2、由带本身离心力产生拉应力σc=qv2/A; 3、带越过带轮时产生弯曲应力σb=Eh/dd; σmax= σ1+ σc+ σb1(带紧边和小带轮接触处)[σ] 保证带有一定寿命。 返回
带传动的弹性滑动与传动比 弹性滑动—由于带的弹性变形而引起带与带轮间的局部相对滑动。 返回
带传动的传动比 • 带由紧边进入松边时,拉力减小,带逐渐缩短,带速落后于主动轮圆周速度; • 带由松边进入紧边时,拉力增大,带逐渐伸长,带速超前于主动轮圆周速度。 • 滑动率:=(1- 2)/ 1=(d1n1- d2n2)/ d1n1 (1- ) d1n1= d2n2 • 带传动比:I=n1/n2=d2/ d1 (1- )  d2/ d1 一般传动=0.01-0.02 F0 F2 F0F1 返回
普通V带传动设计 一、带传动的失效形式和设计准则 • 带传动的失效形式:打滑、带疲劳破坏(脱层、撕裂或拉断) • 设计准则:足够的传动力和足够的抗疲劳寿命。 返回
普通V带传动设计 二、单根V带的基本额定功率 单根V带的基本额定功率P0---=1800(I=1),特定基准长度LP,载荷平稳时,单根普通V带工作足够长时间所能传递的功率。查表 实际单根V带额定功率P’=(P0+ P0)K KL 查表  P0-- I1时,同样寿命下,带传动功率可增大 K--   1800时,修正系数 KL—带长修正系数 返回
普通V带传动设计 三、V带截型和根数的确定 带传动额定功率P—传动装置正确安装和维护情况下,以规定的几何尺寸和环境条件运行,在规定的时间周期内,给定V带所能传递的功率。 设计功率:Pc=KAP 依Pc及小带轮转速n1查功率曲线图选V带截型 V带根数 一般z=3—6, 最多不超过10 返回
普通V带传动设计 四、主要参数的确定 • 带轮基准直径和带速 小带轮的基准直径 ddmin值见表5-4 大小带轮的直径应尽量符合表5-4 带速 不宜过大也不宜过小 返回
普通V带传动设计 四、主要参数的确定 2. 中心距和带长 中心距: 不宜过小也不宜过大 带长: 实际中心距: 返回
普通V带传动设计 四、主要参数的确定 3. 小包轮角 一般应使 返回
普通V带传动设计 四、主要参数的确定 • 初拉力 过小易打滑,过大寿命降低。 返回
普通V带传动设计 五、带传动作用在轴上的压力 • 初拉力 返回
普通V带传动设计 六、带传动的设计任务及步骤 一般已知:传动用途、工作条件、传递功率、带轮转速或传动比。 设计:带的型号、长度、根数及带轮材料、结构和尺寸。 根据n1 和Pd---确定V带型号及dd1 设计步骤: 确定带轮基准直径dd2=idd1,验算带速1 确定带长Lp和中心距a 验算小带轮包角1=1800- (dd2- dd1)  57.30/2 1200 查单根带的基本功率,确定带的根数Z=Pd/ P’ 返回
普通V带传动设计 例: 设计一带式输送机的V带传动,已知异步电动机的额定功率P=7.5kW,转速n1=1440r/min,从动轮转速 n2=565r/min,三班工作制,要求中心距a 500mm。 1、选择普通V带型号 查工况系数KA=1.3 Pd= KAP=1.3 7.5=9.75kW 返回
普通V带选型图 返回
普通V带选型图 返回
单根V带额定功率 返回
普通V带直径系列 返回
普通V带基准长度 返回
单根V带功率增量 返回
普通V带包角修正系数 返回
带传动张紧装置 返回
带轮安装和维护 1、带型号与带轮轮槽尺寸相符合; 2、两带轮相对应轮槽的中心线应重合; 3、带的张紧程度以大拇指按下15mm为宜; 4、多根带更换时应全部更换; 5、带传动应加防护罩; 6、带工作温度600; 7、拆卸带时,应先缩小中心距 返回
思考题五/1 • 带传动不工作时,带两边所受拉力;带传动工作时,带两边受力不同,其紧边受力由F0F1,松边由F0F2;带传动有效拉力F=。 • 带传动中,由于带的引起的带与带轮间的为弹性滑动;弹性滑动使从动带轮的园周速度V2 主动带轮的园周速度V1,用滑动率ε表示为ε=。 • 带传动中,由于(A,弹行滑动,B,打滑)的存在,从动轮的实际圆周速度总是(A,大于,B,等于,C,小于)主动轮的圆周速度。 • 带传动中,由于带的弹形而引起的相对滑动称为(A,打滑,B,弹性滑动。它是(A,可以,B,不可,C,必须)避免的。 返回
思考题五/2 • 若带所传递的圆周力F1超过了带与带轮接触面间的极限摩擦力时 ,则带将会在带轮上,使。 • 带传动失效形式主要是和。 • 提高带传动承载能力的措施有。 a)增大主动带轮直径,b)与a)相反,c) 增大初拉力F0, d)增大带轮与带接触处的粗糙度。 • 带绕带轮循环一周,带的应力变化。 a)五次, b)二次, c) 三次, d)四次。 • 已知某带传动,带轮直径分别为d1、d2,相对滑移系数为,则带传动的传动比I= 。 a)d1/d2, b) d2/d1, c) d1/d2(1-), d) d2/d1(1-)。 返回
思考题五/3 • 带传动的张紧轮最好如图安装。 • 带传动的特点是什么? 返回
Unit 6 链传动 • 链传动特点与种类 • 滚子链与链轮 • 链传动的运动特性 • 滚子链传动的设计计算 • 链传动的布置、张紧和润滑 思考题六 返回
链传动特点 链传动特点: 1、传动中心距范围大; 2、准确的平均传动比; 3、张紧力小,故对轴的压力小; 4、可在高温、油污、潮湿等恶劣环境情况下工作; 5、传动平稳性差、噪音大、制造成本高。 适用范围:功率P  100KW, I  8 ,中心距a  6m,链速  15m/s,传动效率=0.95-0.98。 返回
链传动的种类 返回
滚子链 节距P=链号数25.4/16mm 标号:链号—排数链节数 标准号 10A--1 86 GB1243.1-83 返回
滚子链主要尺寸和参数 返回
链 轮 返回
链轮结构 返回
链传动运动特性 链的平均速度: =Z1P1n1/601000= Z2P2n2/601000(m/s)=常数 平均传动比:i12=n1/n2=Z2/Z1=常数 链的瞬时速度:变化 = 1cos=d11cos/2 --变化范围±1800/Z 瞬时传动比:变化 多边形效应—由于多边形啮合传动而引起传动速度不均匀性。 ’= 1sin=周期变化 返回
链传动运动特性 1、链速变化使链产生加速度,从动轮产生角加速度,引起动载荷。 2、链在垂直链条边的横向分速度’周期性变化,引起链条上、下抖动。 3、链节进入链轮的瞬时,以一定相对速度相啮合,使链轮受到冲击。 链传动不可避免产生振动、冲击和动载荷,因此不宜用在高速级。 返回
滚子链传动设计计算 一、链传动的主要失效形式 1、链板的疲劳破坏 2、多次冲击破断 3、链条铰链磨损 4、销轴和套筒的胶合 5、静强度拉断 返回
二、 滚子链功率曲线 以特定的实验条件下,可求得链传动不失效所能传递的功率P0绘制成的功率曲线图。 返回
三、链传动设计计算 1. 中、高速链传动(  0.6m/s) P: 名义功率 KA: 工作情况系数(表5-15) Kz: 小链轮齿数系数(表5-16) Ki: 传动比例系数(表5-17) Ka: 中心距系数(表5-18) Kpt: 多排链系数(表5-19) 根据P0查功率曲线图选链号 返回
四、链传动主要参数的选择 • 链节距 • 链轮齿数 • 中心距和链节数 返回